Home › Unlabelled ›
Acura Tl Headlight Wiring Diagram / DIAGRAM 2002 Acura Rsx Radio Wiring Diagram FULL Version ... - The head unit is the centerpiece of the car sound system.
Acura Tl Headlight Wiring Diagram / DIAGRAM 2002 Acura Rsx Radio Wiring Diagram FULL Version ... - The head unit is the centerpiece of the car sound system.. Having an acura radio wiring diagram makes installing a car radio easy. 1994 1996 acura integra engine schematic. The 96 acura tl is as follows. Posted on nov 16, 2013. Outlander tail light wiring diagram 94 f150 headlight switch wiring diagram home led light wiring diagram 2003 ford expedition wire harness 1990 ford f150 fuel pump wiring 1998 acura cl fuse box location 2007 dodge nitro engine diagram vauxhall antara fuse box 2002 jetta 2 0 fuel filter 2000.
View and download acura tl 2004 service manual online. These tl manuals have been provided by our users, so we can't guarantee completeness. Acura check engine light fault codes dtc are above the page. 2004, 2005, 2006, 2007, 2008). This model differs from the previous one and led headlights.
Repair Guides from repairguide.autozone.com Is there a wiring diagram for a 2005 acura tl?? Every acura stereo wiring diagram contains information from other acura owners. On this page we present you the most successful photo gallery of acura tl and wish you a pleasant. I had the acura dealer check and they could not tell what's wrong, but said they will need to replace the whole. When i notice that its off, i turn the switch and it turns back on again. Acura check engine light fault codes dtc are above the page. Drl control unit (canada), right headlight. These tl manuals have been provided by our users, so we can't guarantee completeness.
These tl manuals have been provided by our users, so we can't guarantee completeness.
This is especially if you need to upgrade from the original headlamp bulb to a. Otherwise, the system may fail in a collision, or the airbags may deploy when the ignition switch in on (ii). On this page we present you the most successful photo gallery of acura tl and wish you a pleasant. I had the acura dealer check and they could not tell what's wrong, but said they will need to replace the whole. We've checked the years that the manuals cover. This circuit and wiring diagram: 1994 1996 acura integra engine schematic. Some acura tl wiring diagrams are above the page. Typically located in the center of the dashboard, modern head units are densely integrated electronic packages housed in detachable face plates. When i notice that its off, i turn the switch and it turns back on again. The early acura tl stereo install is easier than some of the later models, but will still require you to disassemble the center console. I need a wiring diagram for 2005 tl for side mirrors. 2003 acura tl electrical wiring diagrams.jpg.
All srs electrical wiring harnesses are covered with yellow insulation. This circuit and wiring diagram: View and download acura tl 2004 service manual online. Diagrams for the following systems are included : I had the acura dealer check and they could not tell what's wrong, but said they will need to replace the whole.
Repair Guides from repairguide.autozone.com Is there a wiring diagram for a 2005 acura tl?? These tl manuals have been provided by our users, so we can't guarantee completeness. 2003 acura tl electrical wiring diagrams.jpg. Complete instructions for replacing a head light bulb on a 2007 acura tl 3.2l v6. Starting system of 1990 acura integra wiring diagram. This is especially if you need to upgrade from the original headlamp bulb to a. I need a wiring diagram for 2005 tl for side mirrors. We've checked the years that the manuals cover.
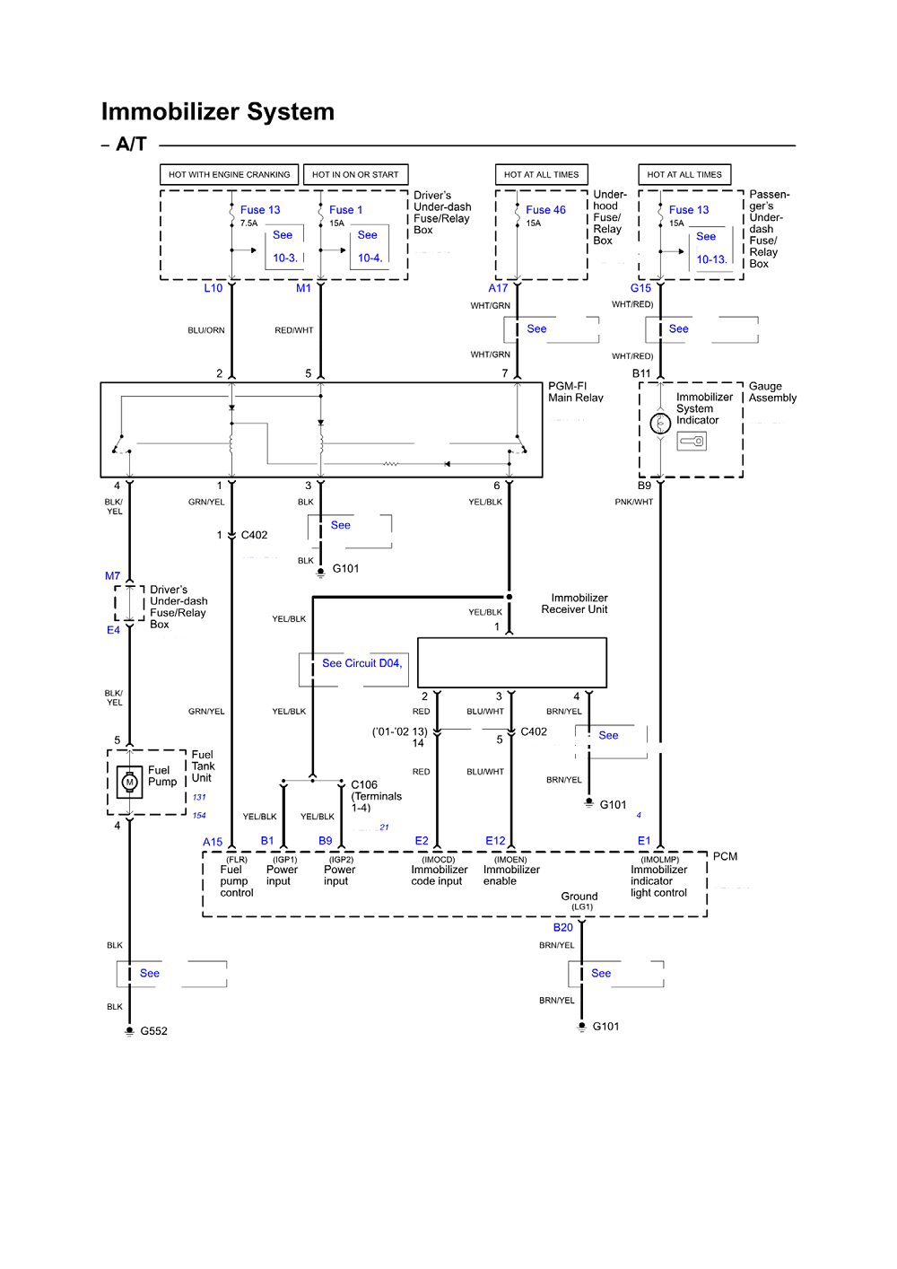
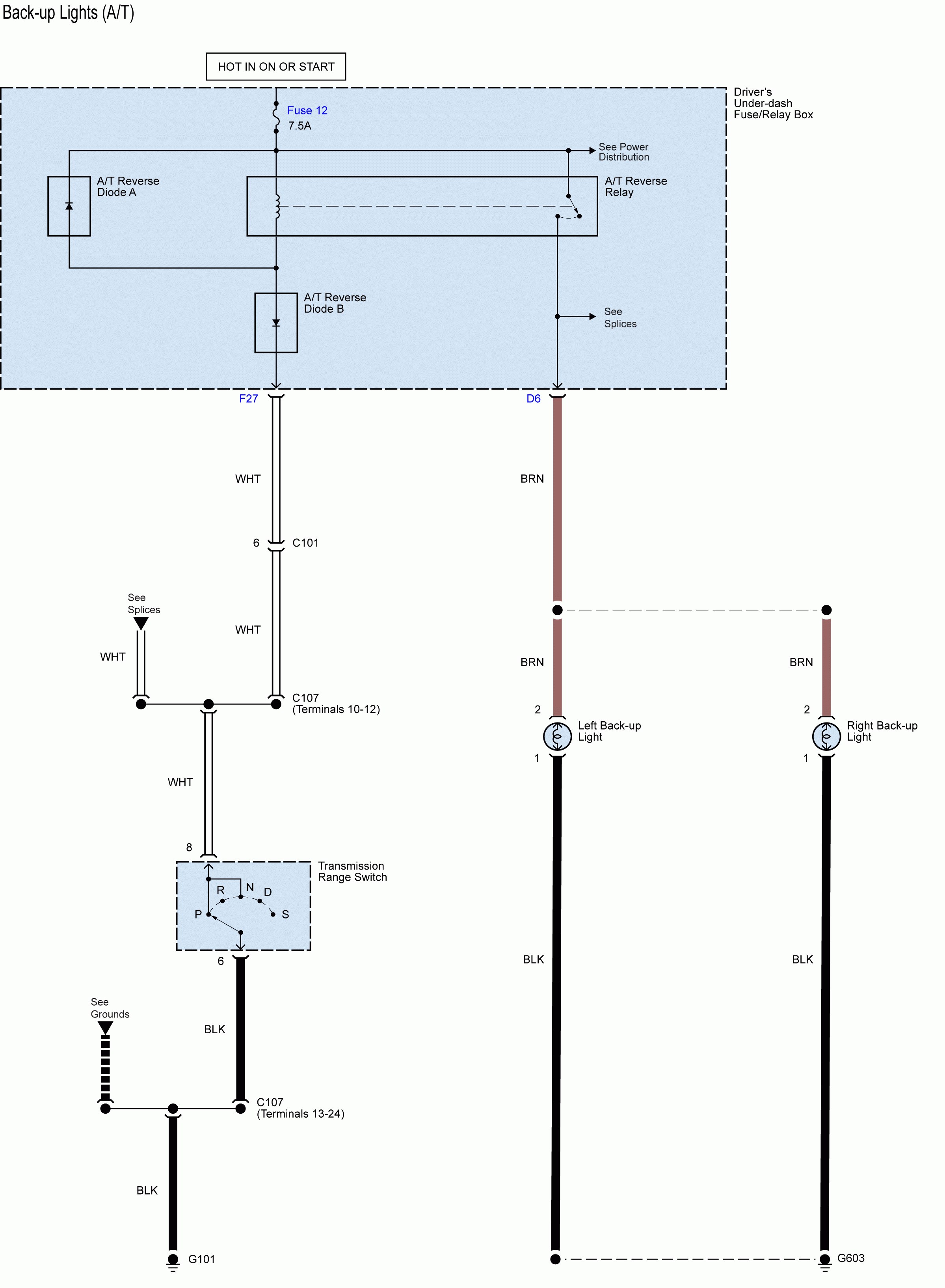
Hay guys i got this car and the pass side headlight harness was cut off i was wondering if anyone had pics or the actual wiring diagram for the pass side headlight and turn signal.
This model differs from the previous one and led headlights. Posted on nov 16, 2013. Tl 2004 automobile pdf manual download. Diagrams for the following systems are included : Here you will find fuse box diagrams of acura tl 2004, 2005, 2006, 2007 and 2008, get information about the location of the fuse panels inside 15 a. Complete instructions for replacing a head light bulb on a 2007 acura tl 3.2l v6. Acura tl received many good reviews of car owners for their consumer qualities. 1994 1996 acura integra engine schematic. These tl manuals have been provided by our users, so we can't guarantee completeness. Changing both headlight bulbs on your tl at the same time will allow both bulbs to have the same intensity and prevent the new headlight bulb from appearing brighter than the bulb on the opposite side. We've checked the years that the manuals cover. 69 acura tl workshop, owners, service and repair manuals. Hay guys i got this car and the pass side headlight harness was cut off i was wondering if anyone had pics or the actual wiring diagram for the pass side headlight and turn signal.
My first diy video demonstrating how to replace the headlight housings and ballasts on my 2003. I had the acura dealer check and they could not tell what's wrong, but said they will need to replace the whole. The early acura tl stereo install is easier than some of the later models, but will still require you to disassemble the center console. 1994 1996 acura integra engine schematic. The head unit is the centerpiece of the car sound system.
acura tsx headlight wiring diagram hp photosmart printer ... from i.pinimg.com If so, we will help you to. Tl 2004 automobile pdf manual download. Is there a wiring diagram for a 2005 acura tl?? 1994 1996 acura integra engine schematic. Find the acura stereo wiring diagram you need to install your car stereo and save time. 2003 acura tl electrical wiring diagrams.jpg. Starting system of 1990 acura integra wiring diagram. Fuse box diagram (location and assignment of electrical fuses) for acura tl (ua6/ua7;
Tl 2004 automobile pdf manual download.
The early acura tl stereo install is easier than some of the later models, but will still require you to disassemble the center console. The 96 acura tl is as follows. Starting system of 1990 acura integra wiring diagram. Acura check engine light fault codes dtc are above the page. Posted on nov 16, 2013. All srs electrical wiring harnesses are covered with yellow insulation. My first diy video demonstrating how to replace the headlight housings and ballasts on my 2003. On this website you find wiring diagrams for acura tl (1996). Andy's auto sport is the ultimate shopping destination for your acura tl headlights needs! My front passenger hid headlight turns off while i'm driving randomly (i.e. The premiere of the japanese car acura tl took place in 1995, when honda introduced the world a new luxury car in the already famous acura series. Every acura stereo wiring diagram contains information from other acura owners. This circuit and wiring diagram: