Home › Unlabelled ›
Jeep Horn Location : Ford Explorer Questions We Have A 97 Ford Explorer Xlt And The Horn Started Honking Whenever W Cargurus - Hello everyone, my cherokee has installed an ugly beep sound horn, it was not installed in the stock location, found out the stock location is under the bumper passenger side but can't find exactly where.
Jeep Horn Location : Ford Explorer Questions We Have A 97 Ford Explorer Xlt And The Horn Started Honking Whenever W Cargurus - Hello everyone, my cherokee has installed an ugly beep sound horn, it was not installed in the stock location, found out the stock location is under the bumper passenger side but can't find exactly where.. I cant find location of horn and windshield washer pump. Shop from the world's largest selection and best deals for jeep cherokee horns. I changed the horn, horn relay and horn fuse on my 99 jeep cherokee classic, the horn works but it honks on its own, (without pressing the button on steering wheel) before i changed everything this wa. A wide variety of jeep horn options are available to you, such as material, speaker design, and voltage. Black plastic thing with a horn on both ends, hard to miss.
Shop from the world's largest selection and best deals for jeep cherokee horns. About 6% of these are speaker & horn. I need some help here, i saw this at the junk yard and quickly grabbed it because i have never seen one befor. Black plastic thing with a horn on both ends, hard to miss. Come join the discussion about reviews, performance, trail riding, gear, suspension.
Lost Jeeps View Topic Walo Air Horns from i6.photobucket.com A forum community dedicated to jeep wrangler owners and enthusiasts. I changed the horn, horn relay and horn fuse on my 99 jeep cherokee classic, the horn works but it honks on its own, (without pressing the button on steering wheel) before i changed everything this wa. Anyone know the actual, physical location of the horn on a 2011? Come join the discussion about reviews, performance, trail riding, gear, suspension. Horn location 2015 jeep renegade. Hello everyone, my cherokee has installed an ugly beep sound horn, it was not installed in the stock location, found out the stock location is under the bumper passenger side but can't find exactly where. Shop with confidence on ebay! If your stock jeep horn sounds more like someone trying to whisper these days, or just simply doesn't work.
In this video we have a look at a 2008 jeep wrangler 4 door that came in for state inspection and we soon discovered that the horn did not work.
Horn system, horn failure diagnosis, horn. Ok, so my daughter's jeep horn does not work. Find great deals on ebay for jeep horn. Alibaba.com offers 912 jeep horn products. A forum community dedicated to jeep wrangler owners and enthusiasts. Shop with confidence on ebay! About 6% of these are speaker & horn. Shop from the world's largest selection and best deals for jeep cherokee horns. Come join the discussion about reviews, performance, trail riding, gear, suspension. The horn wires will probably have a jeep wire plug on the end that will need to be removed or altered. Black plastic thing with a horn on both ends, hard to miss. Shopping for a new jeep horn? Anyone know the actual, physical location of the horn on a 2011?
About 6% of these are speaker & horn. Hello everyone, my cherokee has installed an ugly beep sound horn, it was not installed in the stock location, found out the stock location is under the bumper passenger side but can't find exactly where. Find great deals on ebay for jeep horn. In this video we have a look at a 2008 jeep wrangler 4 door that came in for state inspection and we soon discovered that the horn did not work. If your stock jeep horn sounds more like someone trying to whisper these days, or just simply doesn't work.
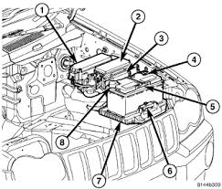
Jeep Cherokee Electrical 1997 2001 Xj Fuse Relay Identification Reference Guide To The Fuses Ratings Amps Relays And Circuit Information from www.lunghd.com We offer leading brands like crown, omix, piaa and more. Shop with confidence on ebay! Horn system, horn failure diagnosis, horn. The horn wires will probably have a jeep wire plug on the end that will need to be removed or altered. A wide variety of jeep horn options are available to you, such as material, speaker design, and voltage. Ok, so my daughter's jeep horn does not work. A forum community dedicated to jeep wrangler owners and enthusiasts. Black plastic thing with a horn on both ends, hard to miss.
Where is the horn located on a 2015 jeep renegade?
Horns sounding weak and tired? I cant find location of horn and windshield washer pump. Find great deals on ebay for jeep horn. Alibaba.com offers 912 jeep horn products. Ok, so my daughter's jeep horn does not work. Hello everyone, my cherokee has installed an ugly beep sound horn, it was not installed in the stock location, found out the stock location is under the bumper passenger side but can't find exactly where. The horn wires will probably have a jeep wire plug on the end that will need to be removed or altered. A wide variety of jeep horn options are available to you, such as material, speaker design, and voltage. Shopping for a new jeep horn? Horn location 2015 jeep renegade. Locate first your horn to where it is attached.for sure it is located at the front of your car.open up the hood of your car so that you can easily locate the. In this video we have a look at a 2008 jeep wrangler 4 door that came in for state inspection and we soon discovered that the horn did not work. If your stock jeep horn sounds more like someone trying to whisper these days, or just simply doesn't work.
A wide variety of jeep horn options are available to you, such as material, speaker design, and voltage. Come join the discussion about reviews, performance, trail riding, gear, suspension. The actual sound part (horn) is located under the front right side of the front bumper. Black plastic thing with a horn on both ends, hard to miss. In this video we have a look at a 2008 jeep wrangler 4 door that came in for state inspection and we soon discovered that the horn did not work.
Location Of Horn Jeep Patriot Forums from www.jeeppatriot.com I need some help here, i saw this at the junk yard and quickly grabbed it because i have never seen one befor. Shop from the world's largest selection and best deals for jeep cherokee horns. Hi guys, please move if wrong location, still trying to figure out where to post certain questions. Shop with confidence on ebay! I changed the horn, horn relay and horn fuse on my 99 jeep cherokee classic, the horn works but it honks on its own, (without pressing the button on steering wheel) before i changed everything this wa. Where is the horn located on a 2015 jeep renegade? The horn wires will probably have a jeep wire plug on the end that will need to be removed or altered. Locate first your horn to where it is attached.for sure it is located at the front of your car.open up the hood of your car so that you can easily locate the.
Better still, and for bonus points, is it a former vintage military jeep owner, instrument rated commercial pilot, ag pilot, vintage aircraft.
We have 12 jeep locations with hours of operation and phone number. The actual sound part (horn) is located under the front right side of the front bumper. I changed the horn, horn relay and horn fuse on my 99 jeep cherokee classic, the horn works but it honks on its own, (without pressing the button on steering wheel) before i changed everything this wa. A wide variety of jeep horn options are available to you, such as material, speaker design, and voltage. Horns sounding weak and tired? We offer leading brands like crown, omix, piaa and more. Black plastic thing with a horn on both ends, hard to miss. Where is the horn located on a 2015 jeep renegade? Hello everyone, my cherokee has installed an ugly beep sound horn, it was not installed in the stock location, found out the stock location is under the bumper passenger side but can't find exactly where. I cant find location of horn and windshield washer pump. In this video we have a look at a 2008 jeep wrangler 4 door that came in for state inspection and we soon discovered that the horn did not work. A forum community dedicated to jeep wrangler owners and enthusiasts. Jeep 1987 wrangler manual online: